第二节 主存储器

一、概述



  主存的实际结构如上图所示,当根据MAR中的地址访问某个存储单元时,需经过地址译码、驱动等电路,才能找到所需访问的单元。读出时,需经过读出放大器,才能将被选中单元的存储字送到MDR。写入时,MDR中的数据也必须经过写入电路才能真正写入到被选中的单元中。
  现代计算机的主存都由半导体集成电路构成,图中的驱动器、译码器和读写电路均制作在存储芯片中,而MAR和MDR制作在CPU芯片内。存储芯片和CPU芯片可通过总线连接,如下图所示。


  当要从存储器读出某一信息字时,首先由CPU将该字的地址送到MAR,经地址总线送至主存,然后发读命令。主存接到读命令后,得知需将该地址单元的内容读出,便完成读操作,将该单元的内容读至数据总线上,至于该信息由MDR送至什么地方,远已不是主存的任务,而是由CPU决定的。若要向主存存入—个信息字时,首先CPU将该字所在主存单元的地址经MAR送到地址总线,并将信息字送入MDR,然后向主存发写命令,主存按到写命令后,便将数据线上的信息写入到对应地址线指出的主存单元中。

  1.主存中存储单元地址的分配
  主存各存储单元的空间位置是由单元地址号来表示的,而地址总线是用来指出存储单元地址号的,根据该地址可读出一个存储字。不同的机器存储字长也不同,为了满足字符处理的需要,常用8位二进制数表示一个字节,因此存储字长都取8的倍数。通常计算机系统既可按字寻址,也可按字节寻址。例如IBM370机其字长为32位,它可按字节寻址,即它的每一个存储字包含4个可独立寻址的字节,其地址分配如下图 (a)所示。字地址是用该字高位字节的地址来表示,故其字地址是4的整数倍,正好用地址码的末两位来区分同一字的4个字节的位置。但对PDP-11机而言,其字地址是2的整数倍,它用低位字节的地址来表示字地址,如下图(b)所示。


  如上图(a)所示,对24位地址线的主存而言,按字节寻址的范围是16MB,按字寻址的范围为4MB。如上图(b)所示,对24位地址线而言,按字节寻址的范围仍为16MB,但按字寻址的范围为8MB。

  2.主存的技术指标
  主存的主要技术指标是存储容量和存储速度。
  (1)存储容量。存储容量是指主存能存放二进制代码的总数,即:
  存储容量=存储单元个数×存储字长
  它的容量也可用字节总数来表示,即:
  存储容量=存储单元个数×存储字长/8
  (2)存储速度。存储速度是由存取时间和存取周期来表示的。
  存取时间又叫存储器的访问时间(Memory Access Time),它是指启动一次存储器操作(读或写)到完成该操作所需的全部时间。存取时间分读出时间和写入时间两种。读出时间是从存储器接收到有效地址开始,到产生有效输出所需的全部时间。写入时间是从存储器接收到有效地址开始,到数据写入被选中单元为止所需的全部时间。
  存取周期(Memory Cycle Time)是指存储器进行连续两次独立的存储器操作(如连续两次读操作)所需的最小间隔时间,通常存取周期大于存取时间。
  现代MOS型存储器的存取周期可达100ns;双极型TTL存储器的存取周期接近10ns。
  与存取周期密切相关的指标叫存储器的带宽,它表示每秒从存储器进出信息的最大数量,单位可用字/秒或字节/秒或位/秒表示。如存取周期为500ns,每个存取周期可访问16位,则它的带宽为32M位/秒。
  存储器的带宽决定了以存储器为中心的机器可以获得的信息传输速度,它是改善机器瓶颈的一个关键因素。为了提高存储器的带宽,可以采用以下措施:
  ①缩短存取周期;
  ②增加存储字长,使每个周期访问更多的二进制位;
  ③增加存储体。

二、半导体存储芯片简介

  1.半导体存储芯片的基本结构
  半导体存储芯片采用超大规模集成电路制造工艺制成,其内部结构如下图所示:

  译码驱动能把地址总线送来的地址信号翻译成对应存储单元的选择信号,该信号在读写电路的配合下完成对被选中单元的读写操作。
  读写电路包括读出放大器和写入电路,用来完成读写操作。
  存储芯片通过地址总线、数据总线和控制总线与外部连接。
  地址线是单向输入的,其位数与芯片容量有关。
  数据线是双向的(有的芯片可用成对出现的数据线分别作输入或输出),其位数与芯片可读出或写入的数据位数有关。
  地址线和数据线的位数共同反映存储芯片的容量。如地址线为10根,数据线为4根,则芯片容量为210×4B=4KB
  控制线主要有读/写控制线与片选线两种。读/写控制线决定芯片进行读/写操作,片选线用来选择存储芯片。由于存储器是由许多芯片组成,需用片选信号来确定哪个芯片被选中。

  2.半导体存储芯片的译码驱动方式
  半导体存储芯片的译码方式有两种:线选法和重合法
  (1)线选法(又称单译码方式)

  上图是一个16×1字节线选法存储芯片的结构示意图。它的特点是用一根字选择线(字线),直接选中一个存储单元的各位(如一个字节)。这种方式结构较简单,但只适于容量不大的存储芯片。如当地址线A3A2A 1A0为1111时,则第15根字线被选中,对应上图中的最后一行八位代码便可直接读出或写入。
  (2)重合法

  上图是一个1K×1位重合法结构示意图。显然,只要用64根选择线(X、Y两个方向各32根),便可选择32×32矩阵中的任一位。例如当地址线为全0时,译码输出X0和Y0有效,选中矩阵中的第0行、第0列对应位。由于被选单元是由X、Y两个方向的地址决定的,故称重合法。

三、随机存取存储器(RAM)

  随机存取存储器按其存储信息的原理不同,可分为静态RAM和动态RAM两大类。

  1.静态RAM(SRAM)
  (1)静态RAM基本单元电路。存储器中用于寄存“0”和“1”代码的电路叫做存储器的基本单元电路,下图所示一个6个MOS管组成的基本单元电路。

  图中T1~T4是一个由MOS管组成的触发器基本电路,T5、T6尤如一个开关,受行地址选择信号控制。由T1~T6共同构成一个六管MOS基本单元电路。T7、T8受列地址选择控制,分别与位线A和A′相连,它们并不包含在基本单元电路内,而是芯片内同一列的各个基本单元电路所共有的。
  假设触发器己存有“1”信号,即A点为高电平。当需读出时,只要使行、列地址选择信号均为有效,则使T5、T6,T7、T8均导通,A点高电平通过T6后,再由位线A通过T8作为读出放大器的输入信号,在读选择有效时,将“1”信号读出。
  由于静态RAM是触发器存储信息,因此即使信息读出后,它仍保持其原状态,不需要再生。但电源掉电时,原存信息丢失,故它属易失性半导体存储器。
  写入时可以不管触发器原状态如何,只要将写入代码送至DIN端,在写选择有效时,经两个写放大器,使两端输出为相反电平。当行、列地址选择有效时,使T5、T6、T7、T8导通,并使A与A′点置成完全相反的电平。这样,就把欲写入的信号写入到该单元电路中。如欲写入“1”,即DIN=1,经两个写放大器使位线A为高电平,位线A′为低电平,结果使A点为高,A′点为低,即写入了“1”信息。
  (2)静态RAM芯片举例。Intel2114芯片的外特性如下图所示。2114的容量为1K×4位。

  图中A9~A0为地址输入端;
  I/O1~I/O4为数据输入输出端;
  为片选信号(低电平有效);
  为写允许信号(低电平为写);
  Vcc为电源端;
  GND为接地端。

  上图为2114芯片内的结构示意。其中每一个小方块均为一个六管MOS触发器基本单元电路,排列成64×64矩阵,64列对应64对T7、T8管。又将64列分成4组,每组包含16列,并与一个读写电路相连,读写电路受控制,4个读写电路对应4根数据线I/Ol~I/O4。由图可见,行地址经译码后可选中某一行;列地址经译码后可选中4组中的对应列,共四4。
  当对某个基本单元电路进行读/写操作时,必须被行、列地址共同选中。例如,当A9~A0为全0时,对应行地址A8~A3为000000,列地址A9、A2、Al、A0也为0000,则第0行的第0、16、32、48这4个基本单元电路被选中。此刻,若做读操作,则为低电平,为高电平,在读写电路的输出端I/Ol~I/O4便输出第0行的第0、16、32、48这4个单元电路所存的信息。若做写操作,将写入信息送至I/O1~I/O4端口,并使为低电平、为低电平,同样这4个输入信息将分别写入到第0行的第0、16、32、48四个单元之中。
  (3)静态RAM读写时序。   ·读周期时序


2114RAM芯片读周期时序


  上图是2114RAM芯片读周期时序,在整个读周期中始终为高电平(故图中省略)。读周期tRC是指对芯片进行两次连续读操作的最小间隔时间。读时间tA表示从地址有效到数据稳定所需的时间。图中tCO是从片选有效到输出稳定的时间。可见只有当地址有效经tA后,且当片选有效经tCO后,数据才能稳定输出,这两者必须同时具备。根据tA和tCO的值,便可知当地址有效后,经tA—tCO时间必须给出片选有效信号,否则信号不能出现在数据线上。
  需注意,从片选失效到输出高阻需一段时间tOTD,故地址失效后,数据线上的有效数据有一段维持时间tOHA,以保证所读数据可靠。
  ·写周期时序


2114RAM芯片写周期时序


  上图是2114RAM芯片写周期时序。写周期tWC是对芯片进行连续两次写操作的最小间隔时间。写周期包括滞后时间tAW、写入时间tW和写恢复时间tWR。在有效数据出现前,RAM的数据线上存在着前一时刻的数据Dout,故在地址线发生变化后,均需滞后tAW再有效,以避免将无效数据写入到RAM的错误。但写允许 失效后,地址必须保持一段时间,叫做写恢复时间。此外,RAM数据线上的有效数据(即CPU送至RAM的写入数据DIN)必须在 、 失效前的tDW时刻出现,并延续一段时间tDH(此刻地址线仍有效,tWR>tDH), 以保证数据可靠写入。

  2.动态RAM(DRAM)
  (1)动态RAM的基本单元电路。常见的动态RAM基本单元电路有三管式和单管式两种,它们的共同特点都是靠电容存储电荷的原理来寄存信息的。若电容上存有足够多的电荷表示存“1”,电容上无电荷表示存“0”。电容上的电荷一般只能维持1~2ms,因此即使电源不掉电信息也会自动消失。为此,必须在2ms内对其所有存储单元恢复一次原状态,这个过程叫再生或刷新。由于它与静态RAM相比,具有集成度更高、功耗更低等特点,因此目前被各类计算机广泛应用。

  上图示意了由Tl、T2,T3三个MOS管组成的三管MOS动态RAM基本单元电路。
  读出时,先对预充电管T4置一预充电信号(在存储矩阵中,每一列共用一个T4管),使读数据线达高电平VDD,然后由读选择线打开T2,若Tl的极间电荷Cg存有足够多的电荷(被认为原存“1”),使T1导通,则因T2、Tl导通接地,使读数据线降为零电平,读出“0”信息。若Cg没足够电荷(原存“0”),则T1截止,读数据线为高电平不变,读出“1”信息。可见,由读出线的高低电平可区分其是读“1”,还是读“0”,只是它与原存信息反相。
  写入时,将写入信号加到写数据线上,然后由写选择线打开T3,这样,Cg便能随输入信息充电(写“1”)或放电(写“0”)。
  为了提高集成度,将三管电路进一步简化,去掉Tl,把信息存在电容Cs上,将T2、T3合并成一个管子T,得单管MOS动态RAM基本单元电路,如下图所示。

  读出时,字线上的高电平使T导通,若Cs有电荷,经T管在数据线上产生电流,可视为读出“1”。若Cs无电荷,则数据线上无电流,可视为读出“0”。读操作结束时,Cs的电荷已泄放完毕,故是破坏性读出,必须再生。
  写入时,字线为高电平使T导通,若数据线上为高电平,经T管对Cs充电使其存“1”;若数据线为低电平,则Cs经T放电,使其无电荷而存“0”。
  (2)动态RAM芯片举例
  ①三管动态RAM芯片。三管动态RAM芯片的结构如下图所示。

  这是一个1K×1位的存储芯片,图中每一小方块代表由3个MOS管组成的动态RAM基本单元电路。它们排列成32×32的矩阵,每列都有一个刷新放大器(用来形成再生信息)和一个预充电管,芯片有10根地址线,采用重合法选择基本单元电路。
  读出时,先置以预充电信号,接着按行地址A9~A5经行译码器给出读选择信号,同时由列地址A4~A0经列译码器给出列选择信号。只有在行、列选择信号共同作用下的基本单元电路,才能将其信息经读数据线送到读写控制电路并从数据线D输出。
  写入时,首先将写入信息由数据线D送入读写控制电路,并在列地址的作用下,由列译码器的输出控制输入信息只送到被选中列的写数据线上。然后在受行地址控制的行译码器给出的写选择信号的作用下,信息被写入到行列共同选中的基本单元电路内。
  ②单管动态RAM芯片。


4116动态RAM(16K×1位)芯片结构


  单管动态RAM芯片结构的示意图如上图所示。这是一个16K×1位的存储芯片,按理应有14根地址线,但为了减少芯片封装的引脚数,地址线只有7根。因此,地址信息分两次传送,先送7位行地址,再送7位列地址。芯片内有时序电路,它受行地址选通、列地址选通以及写允许信号控制。


16K×1位4116动态RAM存储矩阵示意图

  16K×1位的存储芯片共有16K个单管MOS基本单元电路,它们排列成128×128的矩阵,如上图所示。图中的行线就是字线,列线就是数据线。128行分布在读放大器的左、右两侧(左侧为0~63行,右侧为64~127行)。每根行选择线与128个MOS管的栅极相连。128列共有128个读放大器,它的两侧又分别与64个MOS管相连,每根列线上都有一个列地址选择管。128个列地址选择管的输出又互相并接在一起与I/O缓冲器相连,I/O缓冲器的一端接输出驱动器,作为数据输出,另一端接输入器,作为数据输入。
  读出时,行、列地址受控制,分两次分别存入行、列地址缓存器。行地址经行译码后选中一行,使该行上所有的MOS管均导通,并分别将其电容Cs上的电荷反映到128个读放大器的某一侧(第0~63行反映到读放大器的左侧,第64~127行反映到读放大器的右侧)。读放大器实质上是个触发器,其左右两侧电平相反。此外列地址经列译码后选中某一列,该列上的列地址选择管导通,即可将读放大器右侧信号经读/写线、I/O缓冲器输出至DOUT端。例如,选中第63行、第0列的单管MOS电路,其CS有电荷为“1”状态,则反映到第0列读出放大器的左侧为“1”,右侧为“0”,经列地址选择管输出至DOUT为0,与原存信息反相。同理,第0~63行经读出放大器至输出线DOUT的信息与原存信息均反相,而读出第64~127行时,因它们的电容CS上的电荷均反映到读出放大器的右侧,故经列地址选择管输出至DOUT的信息为同相。
  写入时,行、列地址也要分别送入芯片内的行、列地址缓存器,经译码可选中某列。输入信息DIN通过数据输入器,经I/O缓冲器送至读/写线上,但只有被选中的列地址选择管导通,可将读/写线上的信息送至读放大器,破坏了读放大器的平衡,使读放大器的右侧与输入信息同相,左侧与输入信息反相,读放大器的信息便可写入到选中行的CS中。例如,选中第64行、第127列,输入信息为“1”,则第127列地址选择管导通,将“1”信息送至第127列的读放大器右侧。虽然第64行上的128个MOS管均导通,但惟有第64行、第127列的MOS管能将其读放大器右侧信息“1”对CS充电,使其写入“1”。值得注意的是写入读放大器左侧行的信息与输入信息都是反相的,而由读出过程分析又知,对读放大器左侧行进行读操作时,读出的信息也是反相的,故最终结果是正确的。
  (3)动态RAM时序。由于动态RAM的行、列地址是分别传送的,因此分析其时序时,应特别注意与地址的关系。即:
  ·先由将行地址送入行地址缓存器,再由 将列地址送入列地址缓存器,因此, 滞后于的时间必须要超过其规定值。
  ·正、负电平的宽度应大于规定值,以保证芯片内部正常工作。
  ·行、列地址的下沿(负跳变)应满足有足够的地址建立时间和地址保持时间,以确定行、列地址均能准确写入芯片。
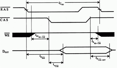
  ①读时序:

  在读工作方式时(写允许=1),读工作周期是指动态RAM完成一次“读”所需的最短时间tCRD,也是一个周期。为了确保读出数据无误,必须要求写允许=1在列地址送入前(即下沿到来前)建立,而=1的撤除应在失效后(即上升沿后);还要求读出数据应在有效后一段时间有效后一段时间时出现,而数据有效的撤除时间,应在失效后一段时间
  ②写时序:

  在写工作方式时(写允许=0),的一个周期即为写工作周期,如上图所示。
  为了确保写入数据准确无误,=0应先于=0,而且数据的有效存在时间应与的有效相对应。即写入数据应在有效前的一段时间出现,它的保持时间应为有效后的一段时间,这是因为数据的写入实际上是由的下沿激发而成的。可见,为了保证正常写入,有效均要大于数据DIN有效的时间。
  (4)动态RAM的刷新。刷新的过程实质上是先将原存信息读出,再由刷新放大器形成原信息并重新写入的再生过程。
  由于存储单元被访问是随机的,有可能某些存储单元长期得不到访问,无读出也就无重写,其原信息必然消失。为此,必须采用定时刷新的方法,它规定在一定的时间内,对动态RAM的全部基本单元电路必作一次刷新,一般取2ms,这个时间叫做刷新周期,或叫再生周期。在刷新周期内,由专用的刷新电路对基本单元电路进行刷新。通常有两种方式刷新:
  ①集中刷新。集中刷新是在规定的一个刷新周期内,对全部存储单元集中一段时间进行刷新,此刻必须停止读/写操作。如Intel ll03动态RAM芯片内排列成32×32矩阵,读/写周期为0.5ms连续刷新32行需16μs(占32个读/写周期)在刷新周期2ms内含4000个读写周期,实际分配是前3968个周期用于读/写操作或维持,后32个周期用于刷新,如下图所示。

  这种刷新方式缺点在于出现了访存“死区”,其占比例为32/4000×100%=0.8%,显然对高速高效的计算机系统工作是不利的。
  ②分散刷新。分散刷新是指对每行存储单元的刷新分散到每个读/写周期内完成。把存取周期分成两段,前半段用来读写或维持,后半段用来刷新,如下图所示。

  显然,这种刷新克服了集中刷新出现“死区”的缺点,但它并不能提高整机的工作效率。因为尽管刷新分散在读/写周期之后,但刷新同样需要一个读/写周期时间,结果使机器存取周期由0.5μs变成1μs,使整机工作效率下降。
  为了真正提高整机的工作效率,应该采用集中与分散相结合的方式,既克服出现“死区”,又充分利用最大刷新间隔为2ms的特点。例如,对于128×128的存储芯片,可采取在2ms内对128行各刷新一遍,即每隔15.6μs刷新一行,而每行刷新的时间仍为读/写周期0.5μs。这样,刷新一行只停止一个读/写周期,即对每行来说,刷新时间仍为2ms,而“死区”缩短为0.5μs。然而,我们可以利用CPU对指令的译码阶段,即不访问主存的这段时间,安排动态RAM的刷新操作。这样,既不会出现集中刷新的“死区”问题,又解决了分散刷新独立占据0.5μs的读/写周期问题,因此,从根本上提高了整机的工作效率。

   3.动态RAM与静态RAM的比较
  目前,动态RAM的应用比静态RAM要广泛得多。其原因是:①在同样大小的芯片中,动态RAM的集成度远高于静态RAM,如动态RAM的基本单元电路为一个MOS管,静态RAM的基本单元电路为6个MOS管;②动态RAM行、列地址按先后顺序输送,减少了芯片引脚,封装尺寸也减少;③动态RAM的功耗仅为静态RAM的1/6;④动态RAM的价格仅为静态RAM的1/4。因此,随着动态RAM容量不断扩大,速度不断提高,它被广泛应用于计算机的主存。
  动态RAM也有缺点:①由于使用动态元件(电容),因此它的速度比静态RAM低;②动态RAM需要再生,故需配置再生电路,也需要消耗一部分功率。通常容量不大的高速存储器大多用静态RAM实现。

四、只读存储器(ROM)

  只读存储器分为掩膜ROM、PROM、EPROM和EEPROM等多种。对于半导体ROM,基本器件为两种:MOS型和TTL型。
   1.掩膜ROM

  上图为MOS型掩膜ROM,其容量为1K×1位,采用重合法驱动,行、列地址线分别经行、列译码器,各得32根行、列选择线。行选择线与列选择线交叉处既可有耦合元件MOS管,也可没有。列选择线各控制一个列控制管,32个列控制管的输出端共连一个读放大器;当地址为全“0”时;第0行、0列被选中,若其交叉处有耦合元件MOS管,因其导通而使列线输出为低电平,经读放大器反相为高电平,输出“1”。当地址A4~A0为11111,A9~A5为00000时,即第31行、第0列被选中,但此刻行、列的交叉处无MOS管,故0列线输出为高电平,经读放大器反相为“0”输出。可见,用行、列交叉处是否有耦合元件MOS管,便可区分原存放“1”还是存“0”。当然,此ROM制成后不可能改变原行、列交叉处的是否存在MOS管,所以,用户是无法改变原始状态的。
   2.PROM

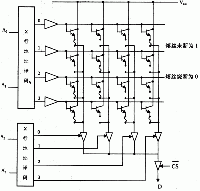
  PROM是可以实现一次性编程的只读存储器,上图是16K×1位双极型镍铬熔丝式PROM芯片,其基本单元电路是由双极型电路和熔丝构成的。
  在这个电路中,基极由行选择线控制,发射极与列线之间形成一条镍铬合金薄膜制成的熔丝(可用光刻技术实现),集电极接电源VCC。用户在使用前可按需要将信息存入行、列交叉的耦合元件内。若欲存“0”,则置耦合元件—个大电流,将熔丝烧掉。若欲存“1”,则耦合处不置大电流,熔丝不断。当被选中时,熔丝断掉处将读得“0”,熔丝未断处将读得“1”。当然,已断的熔丝是无法再恢复的,故这种ROM往往只能实现一次编程,不得再修改。
  3.EPROM
  EPROM是一种可擦洗可编程的只读存储器。它可以由用户对其所存信息作任意次的改写。目前用得较多的EPROM是用浮动栅雪崩注入型MOS管构成,又称FAMOS型EPROM,如下图所示。

  由图所示的N型沟道浮动栅MOS电路,在漏端D加上正电压(如25V,50ms宽的正脉冲),便会形成一个浮动栅,它阻止源S与漏端D之间的导通,致使此MOS管处于“0”状态。若对D端不加正电压,则形成不了浮动栅,此MOS管便能正常导通,呈“1”状态。由此,用户可按需要对不同位置的MOS管D端加正电压或不加正电压,便制成了用户所需的ROM。一旦用户需重新改变其状态时;可用紫外线照射、驱散浮动栅,再按需要对不同位置的MOS管重新置于正电压,又得出新状态的ROM。故称之为EPROM。
  EPROM的改写可用两种方法,一种用紫外线照射,但擦洗时间比较长,而且不能对个别需改写的单元进行单独擦洗或重写。另一种方法用电气方法将存储内容擦除,再重写。甚至在联机条件下,用字擦除方式或页擦除方式,既可局部擦写,又可全部擦写,这种EPROM叫EEPROM。
  还有一种闪速存储器(Flash Memory),又叫快擦型存储器,它是在EPROM和EEPROM工艺基础上产生的一种新型的、具有性能价格比更好、可靠性更高的可擦写非易失性存储器。它既有EPROM 的价格便宜、集成度高的优点,又有EEPOM电可擦洗重写的特性。它具有整片擦除的特点,其擦除、重写的速度快。一块1M位的闪速存储芯片的擦除、重写时间小于5μs,比一般标准EEPROM快得多,已具备了RAM的功能。它还具有高速编程的特点。
  非易失性、长期反复使用的大容量Flash memory还可替代软盘或硬盘,作为海量存储器。在笔记本及手掌型袖珍电脑中都大量采用Flash Memory做成固态盘替代磁盘,使计算机平均无故障时间大大延长;功耗更低,体积更小消除了机电式磁盘驱动器所造成的数据瓶颈。

五、存储器与CPU的连接


  1.存储容量的扩展
  由于单片存储芯片的容量总是有限的,很难满足实际的需要,因此,必须将若干存储芯片连在一起才能组成足够容量的存储器,这就叫存储容量的扩展通常有位扩展和字扩展。
  (1)位扩展。位扩展是指增加存储字长,如2片1K×4位的芯片,可组成1K×8位的存储器,如下图所示。图中两片2114的地址线A9~A0 分别连在一起,其中一片的数据线作为高4位D7~D4,另一片的数据线作为低四位D3~D0。这样,它便构成了一个1K×8位的存储器。

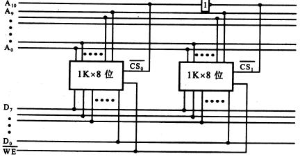
   (2)字扩展。字扩展是指增加存储器字的数量。如用2片1K×8位的存储芯片,可组成一个2K×8位的存储器,即存储字增加了一倍,如下图所示。

  在此,将A10用作片选信号。由于存储芯片的片选输入端要求低电平有效,故当A10为低时, 有效,选中左边的1K×8位芯片;当A10为高时,反相后 有效,选中右边的1K×8位芯片。

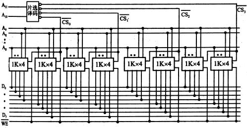
  (3)字、位扩展。字、位扩展是指既增加存储字的数量,又增加存储字长。下图示意的是用8片1K×4位的芯片组成4K×8位的存储器。

  由图可见,每两片构成1K×8位的存储器,4组两片便构成4K×8位的存储器。地址线A11、Al0经片选译码获得4个片选信号 分别选择其中1K×8位的存储芯片。 为读/写控制信号。

  2.存储器与CPU的连接
  存储芯片与CPU芯片相连时,特别要注意它们片与片之间的地址线、数据线和控制线的连接。

  (1)地址线的连接。存储芯片容量不同,其地址线数也不同,而CPU的地址线数往往比存储芯片的地址线数要多。通常总是将CPU地址线的低位与存储芯片的地址线相连。CPU地址线的高位或作存储芯片扩充时用,或作其他用法,如作片选信号等。例如,设CPU地址线为16位A15~A0,1K×4位的存储芯片仅有10根地址线A9~A0,此时,可将CPU的低位地址A9~A0与存储芯片地址线A9~A0相连。

  (2)数据线的连接。CPU的数据线数与存储芯片的数据线数也不一定相等。此时,必须对存储芯片扩位,使其数据位数与CPU的数据线数相等。

  (3)读/写命令线的连接。CPU读/写命令线一般可直接与存储芯片的读/写控制端相连,通常高电平为读,低电平为写。

  (4)片选线的连接。片选信号的连接是CPU与存储芯片正确工作的关键。由于存储器是由许多存储芯片叠加组成的,哪一片被选中完全取决于该存储芯片的片选控制端 是否能接收到来自CPU的片选有效信号。
  片选有效信号与CPU的访存控制信号 (低电平有效)有关,因为只有当CPU要求访存时,才要求选择存储芯片。若CPU访问I/O,则 为高,表示不要求存储器工作。此外,片选有效信号还和地址有关,因为CPU给出的存储单元地址的位数往往大于存储芯片的地址线数,故那些未与存储芯片连上的高位地址必须和访存控制信号共同作用,产生存储器的片选信号。

六、提高访存速度的措施

  随着计算机应用领域的不断扩大,处理的信息量也越来越多,对存储器的工作速度和容量要求越来越高。此外,因CPU的功能不断增强,I/O设备的数量不断增多,致使主存的存取速度已成为计算机系统的瓶颈。可见,提高访存速度也成为迫不及持的任务。为了解决此问题,除了寻找高速元件和采用层次结构以外,调整主存的结构也可提高访存速度。

  1.单体多字系统
  由于程序和数据在存储体内是连续存放的,因此CPU访存取出的信息也是连续的,如果可以在一个存取周期内,从同一地址取出4条指令,然后再逐条将指令送至CPU执行,也即每隔四分之一存取周期,主存向CPU送一条指令,这样显然增大了存储器的带宽,提高了单体存储器的工作速度。如下图所示:

  上图所示的是一个单体四字结构的存储器,每字W位。按地址在一个存取周期内可读出4×W位的指令或数据,使主存带宽提高到4倍。显然,采用这种办法的前提是:指令和数据在主存内必须是连续存放的,一旦遇到转移指令,或者操作数不能连续存放,这种方法的效果就不明显。

  2.多体并行系统
  多体并行系统就是采用多体模块组成的存储器。每个模块有相同的容量和存取速度,各模块各自都有独立的地址寄存器、地址译码器、驱动电路和读写电路,它们能并行工作,又能交叉工作。


高位交叉编址的多体存储器


  并行工作即同时访问N个模块,同时启动, 同时读出,完全并行地工作,上图是适合于并行工作的高位交叉编址的多体存储器结构示意图,图中程序按体内地址存放,一个体存满后,再存入下一个体。显然,高位地址可表示体号。按这种编址方式,只要合理调动,便可提高存储器的带宽。例如,当第一个体用以执行程序时,另一个体可用来与外部设备进行直接存储器访问,实现两个体并行工作。


低位交叉编址的多体存储器


  在按低位交叉编址的多体模块结构示意中,程序连续存放在相邻体中,显然低位地址用来表示体号,高位地址为体内地址。这种编址方法又叫作模M编址(M等于模块数),一般模块数M取2的方幂,使硬件电路比较简单。有的机器为了减少存储器冲突,采用质数个模块,如我国银河机的M为3l,其硬件实现比较复杂。
  多体模块结构的存储器采用交叉编址后,可以在不改变每个模块存取周期的前提下,提高存储器的带宽。下图示意了四个存储体交叉访问的时间关系,负脉冲为启动每个体的工作信号。虽然对每个体而言,存取周期均未缩短,但由于CPU交叉访问各体,最终在一个存取周期的时间内,实际上向CPU提供了4个存储字。如果每模块存储字长为32位,则在一个存取周期内,存储器向CPU提供了32×4=128位二进制代码,大大加宽了存储器的带宽。

  多体模块不仅要与CPU交换信息,还要与辅存、I/O设备乃至I/O处理机交换信息。因此,在某一时刻,决定主存究竟与哪个部件交换信息,必须由存储器控制部件(简称存控)来承担。存控具有合理安排各部件请求访问的顺序以及控制主存读写操作的功能。下图是一个存控基本结构框图,它由排队器、控制线路、节拍发生器及标记触发器等组成。

  (1)排队器。由于要求访存的请求源很多,而且访问都是随机的,这样有可能在同一时刻出现多个请求源请求访问同一个存储体。为了防止发生两个以上的请求源同时占用同一存储体,并防止将代码错送到另一个请求源等各种错误的发生,在存控内需设置一个排队器,由它来确定请求源的优先级别。其确定原则为:
  ①对易发生代码丢失的请求源,应列为最高优先级,如外设信息最易丢失,故它的级别最高;
  ②对严重影响CPU工作的请求源,给予次高优先级,否则会导致CPU工作失常。
  例如写数请求高于读数,读数请求高于读指令。若运算部件不能尽快送走已算出的结果,会严重影响后续指令的执行,因此,发生这种情况时,写数的优先级比读数、读指令都高。而若没有操作数参与运算,取出更多的指令也无济于事,故读数的优先级又应比读指令高。
  (2)存控标记触发器CM。它用来接受排队器的输出信号,一旦响应某请求源的请求,CM被置“1”,以便启动节拍发生器工作。
  (3)节拍发生器。它用来产生固定节拍,与机器主脉冲同步,使控制线路按一定时序发出信号。
  (4)控制线路。由它将排队器给出的信号与节拍发生器提供的节拍信号配合,向存储器各部件发出各种控制信号,用以实现对总线控制及完成存储器读写操作,并向请求源发出回答信号,表示存储器已响应了请求等等。